Marine tunnel thruster, is also called side thruster, is a propulsion device installed at the bow or stern of a vessel to acquire lateral manoeuvrability. Some big vessels even has more than one tunnel thrusters to be more maneuverable, which allows it to dock, or sail through narrow waters easily without a tug boat.
Tunnel thrusters can be driven by electric motor, diesel engine or hydraumatic units. Fountom provides options of fixed pitched and controllable pitched thrusters.
Hydrodynamic is the key technology of marine thruster. With an advanced computational fluid dynamics software to complete emulation calculation and use advanced pool testing method to precisely measure the hydrodynamic performance of blade and underwater mechanism, which greatly improve the propeller efficiency and reduce noise and vibration of the thruster.
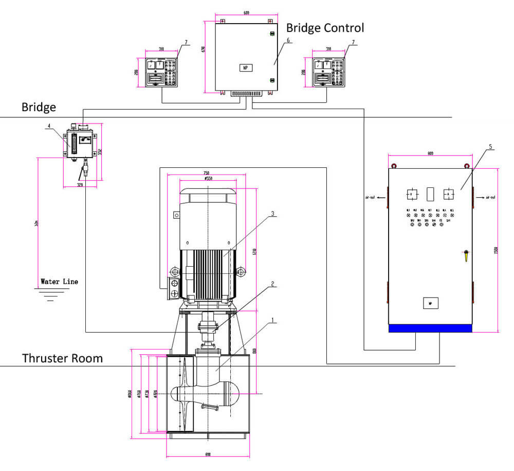
Main Components Of Fountom Electric Tunnel Thruster
A completed electric motor driven bow thruster should be including variable electric driven motor, frequency converter with starter, gravity oil tank, bridge control panel, wing control panels as optional, full set of manuals and drawings, special tool, spare parts for at least one year.
Propeller
Thruster propeller with skew blade and large area ratio can reduce vibration and improve cavitation performance. Fountom offers thruster propeller of both fixed pitch and controllable pitch in 4 blade, the maximum diameter of the thruster propeller is 3 meters.
Electric Motor
Fountom choose the most reliable variable frequency motor to drive the thrusters. The power range of electric motor is between 37kw ~ 2000kw.
Electric control system
Adopt embedded computer system (or PLC) which have more functions, smaller volume and lower cost. It's highly cooperative with control system of driven motor to carry out motor-propeller combined control, promoting the automation of control and efficiency of the system. Frequency converter with starter controls the variable frequency motor fufills superior smooth boost in 0~max speed and thrust force.
Standout Features Of Fountom Electric Powered Thruster
Highly Integrated
The Optimized combination of diameter-rotate speed of propeller can improve propulsion efficiency, in the same thrust force Fountom makes the whole thruste unit smaller in diameter to improve the ratio of utilization of cabin.
Superior Thrust Force, Less Noise And Vibration
By Employing thicker duct plate, developing higher propeller area ratio, that allows the thruster to move in less noise and vibration. Strong and durable driving shaft and seal are adopted for longer operation.
Easy Installation and Periodical Inspection
Underwater structure are optimized so that it have rational construction, which convenient for maintenance and repairing, On the periodical inspection, the thruster is durable, almost no need to change major parts except seals.
Assured Crucial Parts Selection
Gear and bearing have high strength and long longevity, and dipped into oil to got better lubrication and cooling effect, which improving the reliability of TP. Excellent tail shaft sealing that can meet the strict requirements on anti-pollution law of sea and ocean environment.
The DP (Dynamic Positioning) System Support
Thrusters supplied by Fountom can work with the DP (Dynamic Positioning) system.
DP system is an advanced propulsion manoeuvring system implemented for offshore operations. By enabling the propellers and thrusters on the vessel, it allows the vessels to maintain its position or course against currents, waves and winds.
Key Factors You May Consider Before Ordering Fountom Electric Thruster
The tunnel thrusters can be classified into two types by its on-board arrangement: L Type and Z type, Fountom design and manufacture both of them, please contact our team to choose the right type for your vessel.


Also Fountom electric motor driven side thrusters can be used on vessels of: container vessels, tankers, bulk carriers, dry cargo vessels, passenger liners, fishing trawlers, tugboat.
Most of the IACS certificate is available for Fountom thrusters including ABS, BV, CCS, DNV-GL, RINA, NK, KR.
Assistance For Installation, Test Running
Qualified and experienced electric, mechanical Engineers can be sent to your shipyard or possible workplaces to attend to supervise the installation and commissioning as well as training for operation.








